一品楼品楼论坛,修车大队一品楼qm论坛51龙凤茶楼论坛成都 ,佛山一品楼品凤楼论坛最新版本更新 ,一品楼破软件解版栖凤阁论坛(登录)

成都酒店制服在哪买

医用隔离衣标准

返回列表 来源: 627172001 发布日期: 2020.02.11
医用隔离衣标准

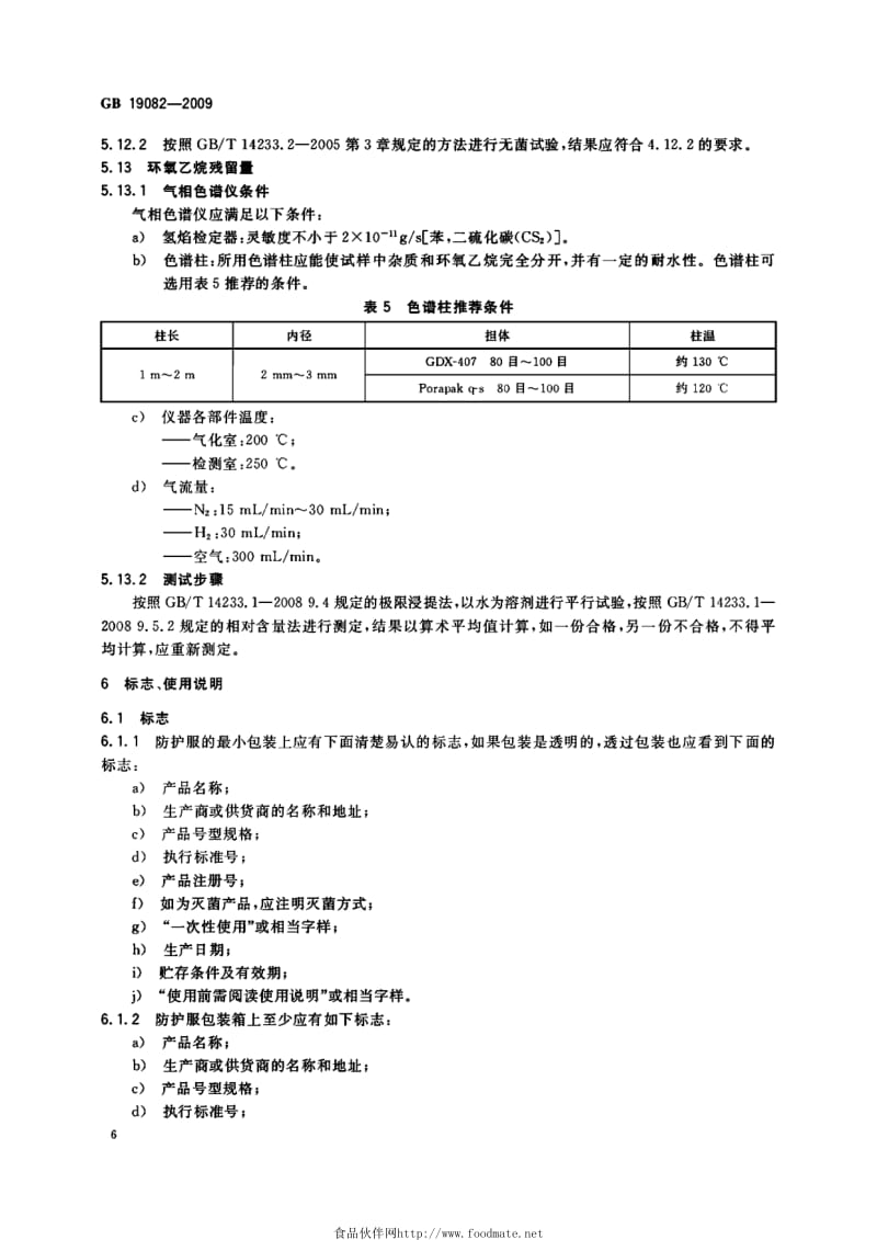
1、范围

医用隔离衣标准规定了医用一次性隔离衣的要求、试验方法、标志、使用说明、包装和贮存等内容。
医用隔离衣标准适用于为医务人员在工作时接触具有潜在感染性的患者血液、体液、分泌物、空气中的颗粒物等提供 阻隔、防护作用的医用一次性隔离衣(以下简称隔离衣)。

2、规范性引用文件

下列文件中的条款通过医用隔离衣标准的引用而成为医用隔离衣标准的条款。凡是注日期的引用文件,其随后所有的修改单(不包括勘误的内容)或修订版均不适用于医用隔离衣标准。然而,鼓励根据医用隔离衣标准达成协议的各方研究是否可使用这些文件的最新版本。凡是不注日期的引用文件,其最新版本适用于医用隔离衣标准。

3、术语和定义

下列术语和定义适用于医用隔离衣标准。

颗粒物

悬浮在空气中的固态、液态或固态与液态混合的颗粒状物质,如微生物、粉尘、烟和雾等。

过滤效率

在规定条件下,医用隔离衣对空气中的颗粒物滤除的百分数。

4、要求

外观

医用隔离衣应干燥、清洁、无霉斑,表面不允许有粘连、裂缝、孔洞等缺陷。

医用隔离衣标准

医用隔离衣标准

医用隔离衣标准

医用隔离衣标准

医用隔离衣标准

医用隔离衣标准

医用隔离衣标准

医用隔离衣标准

医用隔离衣标准

医用隔离衣标准

医用隔离衣标准

医用隔离衣标准

医用隔离衣标准

咨询热线

13018272455